德国蔡司C5型立体测图仪简介

Stereoplanigraph C5型立体测图仪是德国蔡司厂制造的,它是典型的利用交会三角形加平行四边形原理的空间型间接交会光学投影仪器。具有常角和宽角两种投影镜箱,相应地可应用常角和宽角航摄像片,测绘大、中比例尺地形图、断面图以及空中三角测量。

C5图像1

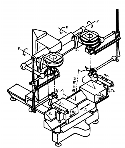
仪器结构

Stereoplanigraph C5型立体测图仪由X、Y和Z导轨构成空间三维坐标。C5较完善地处理了光学解法仪器中所存在的矛盾,它的结构特点是使用原航摄像片,像幅不缩小;为了避免两个投影镜箱相碰,采用交会三角形加平行四边形,进行间接交会;投影镜箱完全模拟航空摄影机;设置有前置镜系统。

C5图像2